Rigol Vertical Navbar

DSA700 Series

Entry level spectrum analyzers for education, IoT, hobby, and radio applications 500 MHz and 1 GHz models with option for Seamless Signal Capture, EMI, and more.

Frequency Range: 100kHz ~ 500M/1GHz
RBW: 10Hz~1MHz
Phase Noise: -80dBc/Hz@10kHz
DANL: -130dBm/Hz
Tracking Source: N/A

Start From Rp22.660.000

DSA700 Series Product

Features

Down to 10Hz Minimum Resolution Bandwidth (RBW)

Provides high resolution to separate signals with similar frequencies enabling easier signal identification.

Down to 10Hz Minimum Resolution Bandwidth (RBW) – DSA700 Series

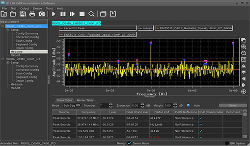
EMI PreCompliance Measurements (Option)

The DSA700 has an EMI filter (6 dB) and a quasi-peak detector to make EMI pre-test/diagnostics more accurate, and complete test and report generation using the host computer software S1210.

EMI PreCompliance Measurements (Option) – DSA700 Series

Excellent Noise Floor Reduction for Weak Signal Testing

Testing of weak signals is susceptible to the noise floor of the spectrum analyzer itself. The DSA700 series displays an average noise level as low as -130dBm (normalized to 100Hz), which effectively guarantees the ability to test weak signals.

Excellent Noise Floor Reduction for Weak Signal Testing – DSA700 Series

ASK/FSK Signal Capture with Fast Capture

ASK/FSK modulation is usually used for car remote control keys, TPMS tire pressure modules and small wireless modules. The DSA700 can perform ASK/FSK signal capture through the SSC-DSA function extension, and has built-in 2FSK test function to directly obtain parameters such as center frequency, power and offset.

ASK/FSK Signal Capture with Fast Capture – DSA700 Series

Model

Model Frequency Range Description Phase Noise DANL Tracking Source Price
DSA710 100kHz-1GHz 10Hz-1MHz -80dBc/Hz@10kHz -130dBm N/A Rp24.309.000
DSA705 100kHz-500MHz 10Hz-1MHz -80dBc/Hz@10kHz -130dBm N/A Rp17.316.000
*Prices may change without prior notice.

Accessories

Model Description Price
CB-NM-NM-75-L-12G N(M)-N(M) RF Cable Rp3.184.000
CB-NM-SMAM-75-L-12G N(M)-SMA(M) RF Cable Rp3.184.000
3.184.000 RF Adaptor Kit (RF Cable and adaptor kit) Rp5.024.000
BAG-G1 Instrument Carry Case for DSA800, DG4000, DS2000 Rp2.480.000
NFP-3 Near Field Probe Kit Rp7.984.000
USB-GPIB USB-GPIB Converter Rp5.536.000
ATT03301H 30dB High Power Attenuator, Max Power 100W Rp3.680.000
DSA Utility Kit DSA Accessories Package (cables, adaptors, antennas) Rp13.296.000
RF Attenuator Kit Kit Includes 6dB Attenuator (1pcs), 10dB Attenuator (2pcs) Rp8.384.000
RF CATV Kit Kit Includes 50 to 75 Ohm Adaptors (2pcs) Rp6.704.000

User Manual

Name Version Release Date Download
DSA700 User Manual V1.0 2021-10-22 Download
DSA700 Rackmount Kit Manual V1.0 2021-10-22 Download
NFP-3 V1.0 2021-10-21 Download

Datasheet

Name Version Release Date Download
DSA700 Datasheets V1.0 2021-10-22 Download

Programming Manual

Name Version Release Date Download
DSA700 Programming Manual V1.0 2021-10-22 Download

Quick Guide

Name Version Release Date Download
DSA700 Quick Guide V1.0 2021-11-23 Download

Software

Name Version Release Date Download
DSA700 Options&Accessories V1.0 2021-10-22 Download
Chat Us